
服務熱線0519-69655086
電(diàn)動推杆是一種將電動機的旋轉運動轉(zhuǎn)變為推杆的直線往複運動的電力(lì)驅動裝置
魅影直播太陽能(néng)推(tuī)杆主(zhǔ)要結構 由驅動電機、減速(sù)齒輪、螺杆、螺母、導套、推杆、滑座、彈簧、外殼(ké)及渦輪(lún)、微動控製開關等組成。
1.耐用、高(gāo)強度、可(kě)靠
2.能夠承受非常惡劣的環境
3.20% 工作製
4.采用螺(luó)杆絲傳(chuán)動係統,具有機械自鎖力
5.凸輪線性開關控(kòng)製
6.內置(zhì)磁簧開關信號反饋
7.免維(wéi)護
8.可集中控(kòng)製
產品規格特性:
1.產品上配的防水橡膠(jiāo)套,磁簧開關及其它零(líng)配件在經銷商(shāng)處都可能(néng)買到。
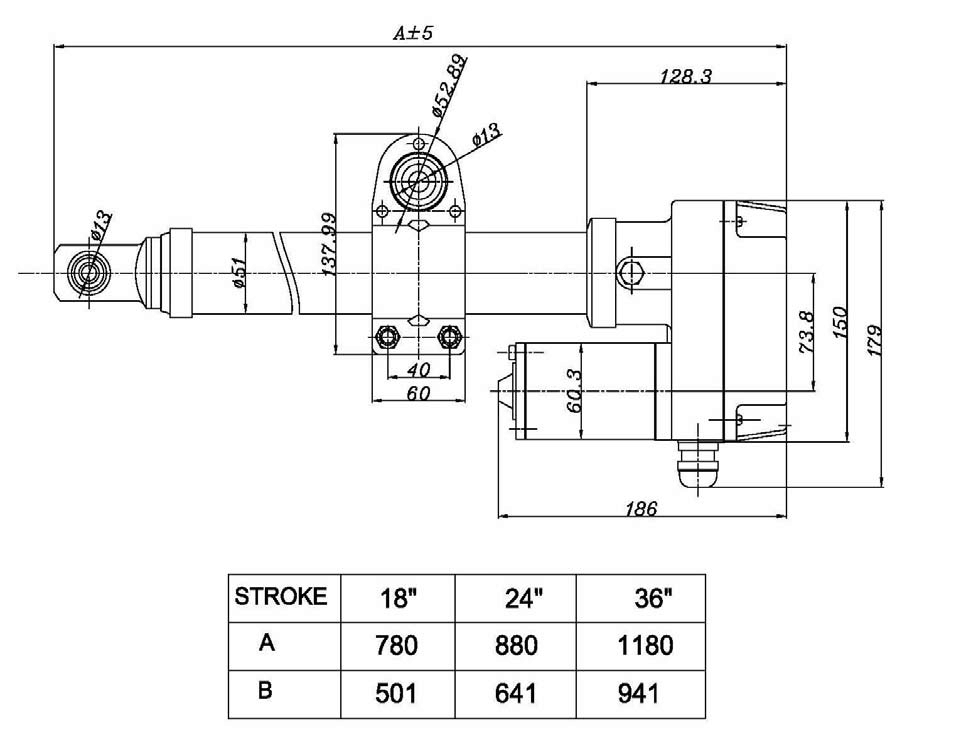
2.公司主要提供18" 24" 36" 等規格同時也可能按客人要求定做。
警告:
1.推杆安裝時馬達放置在管(guǎn)組的上方,這樣避免馬達漏水及漏油到(dào)馬達中造成不必要(yào)的損壞.
你安裝時必須用附件中的四個銅筒(tǒng)或者有必要的話放多一些金屬墊片(不包括在內)來校正使其排成直線,或者留足夠空間。
A:在尾端和太陽能麵(miàn)板之間;
B:在握把和太陽能支撐駕之間;
尺寸及性能圖:

外形圖:

聯係電話
微信掃一掃(sǎo)