常州魅影直播機電設備有限公司-專業生產銷(xiāo)售電(diàn)液推杆(gǎn)、太陽(yáng)能推杆等設備!

DTZ型電動推杆

在線訂購
產品詳(xiáng)情

image.png


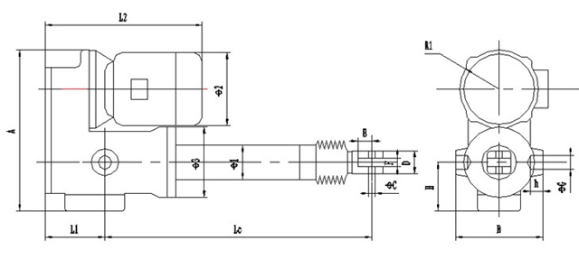
型號標注方式:DTZ 推力(kgf)—行程(mm)-速度(I/II)(mm/s)- 電機種類(AC/DC)功(gōng)率(KW)

 

型號

推拉力

Kg

   速度

行程

mm

電(diàn)機功率

KW

Lc最小

L1

L2

A

1

2

3

C

D

E

F

 

B

H

 

R1

G*h

I

II

DTZ100

100

42


100-700

0.12

233+S

84

246

266

57

130

112

12

34

26

 

16

 

135

82

65

25*20


84

0.18

DTZ300

300

42


100-1000

0.37

205+S

110

280

303

64

141

130

12

43

26

16

160

90

73

25*22


84

0.55

DTZ630

630

50


200-1800

0.75

253+S

96

310

348

80

147

160

14

52

35

20

200

上一篇:暫(zàn)無 下(xià)一篇:DT/DTZ推杆

魅影直播-魅影直播官方版下载-魅影直播官网入口下载-魅影app免费下载安装